Oblíbené
Získejte více světla za méně peněz :: nad 5 000 Kč 5% sleva kód 54UQD4 :: nad 10 000 Kč 7% sleva kód 2c43RR :: nad 20 000 Kč 10% sleva kód R9HNHG

OSMONT AUR68538 AURA 10 stropní/nástěnné skleněné svítidlo bílá IP44 4000 K 14W LED DALI HF

OSMONT AUR68538 AURA 10 stropní/nástěnné skleněné svítidlo bílá IP44 4000 K 14W LED DALI HF

5 515 Kč
4 557,90 Kč bez DPH
Může být u Vás 24. 11.
Podpora Žárovky.cz
Potřebujete radu od odborníka?
Záruka 60 měsíců www.zarovky.cz/osmont
Kód: OS AUR68538 EAN: 8591728070076 Značka: OSMONT

Množstevní sleva

Při nákupu nad 3 ks sleva 3% Cena po slevě 4 421,10 Kč bez DPH / ks
Při nákupu nad 5 ks sleva 5% Cena po slevě 4 330 Kč bez DPH / ks
Při nákupu nad 10 ks sleva 7% Cena po slevě 4 238,80 Kč bez DPH / ks

Možnost vrátit zboží do 30 dní

Popis produktu

Bílé přisazené LED svítidlo s CORRIDOR funkcí a skleněné stínidlo TRIPLEX OPAL

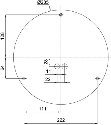
Pohybový senzor: ano, Stmívatelné: ano, DALI, Životnost: 50000h, Energetická třída: D, Index podání barev Ra: 80, Výška: 125 mm, Průměr: 360 mm, Ochrana IP: IP44, Světelný tok: 1400lm, Barva světla: 4000 K, Příkon sv. zdroje: 14W, Celkový příkon: 14W, Napětí: 230V, Patice: LED, Vč. světelného zdroje: ano, Materiál: sklo / ocel, Barva: bílá, Kolekce: AURA, Počet světelných zdrojů: 1

Technické parametry

Barva : bílá
Barva světla : studená bílá
CRI : 80 Ra
Funkce : DALI / pohybový senzor
Kolekce : AURA
Materiál : ocel / sklo
Napětí / napájení : 220-240V
Počet světelných zdrojů : 1
Celkový příkon max. : 14 W
Průměr : 360 mm
Stmívatelné : ano
Stupeň krytí : IP44
Styl : moderní
Světelný tok celkový : 1400 lm
Teplota barvy : 4000 K
Tvar / motiv : kulatý
Typ zdroje : LED
Výška : 125 mm
Zdroj světla součástí : ano
Průměrná životnost : 50000 h
Značka : OSMONT
Třída ochrany : I

Zodpovězené dotazy

K tomuto produktu zatím nejsou zveřejněné žádné dotazy.

Naposledy prohlížené

+420 727 800 069

Po-Pá 9:30 - 11:30, 12:30 - 16:00

© 2010–2025 Všechna práva vyhrazena. žárovky.cz